数十年磁力泵、离心泵、自吸泵制造厂家

全国咨询热线

136-2518-2808

LHB无泄漏化工流程泵

LHB无泄漏化工流程泵-四、详细参数型号流量m3/h至高压力kg电机功率kw转速rpmLHB40-40-K5442900LHB40-50-K555.52900LHB40-60-K567.52900LHB40-80-K58112900LHB50-40-K12.545.52900LHB50-50-K12.557.52900LHB50-60-K12.56112900LHB50-80-
联系电话:136-2518-2808

产品详情

  一、产品概述  



LHB无泄漏化工流程泵系我公司在引|进国外离心泵新技术的基础上,结合我公司多年生产经验,经过不断的完善改进而成。


 

  二、产品特点   


  
机械密封采用负压装置,在压力不断增加而流 量逐渐减少的情况下长期输送液体,机械密封不承受工作压力,确保机械密封永不泄漏,是建设文明工厂的理想设备 

 

  三、产品用途   



 

1、制碱工业:纯碱和氨联碱生产的氨盐水母液,氯碱生产的常温苛性碱,氯产品和氯酸盐,次氯酸盐。
2、钢铁工业:电镀、酸洗、废酸处理。制酸工业:硝酸、硫酸、盐酸、磷酸、醋酸等。
3、有色冶金:电解铜镍的电解液,生产钻的酸雾液,产锌的矿浆液,生产钒的钒酸氨,生的黄金的酸和硫脲液等的输送。
4、造纸工业:纸浆蒸煮液和漂白液的输送。
5、化肥工业:尿素、硝氨的生产。
6、石油化工:石油精炼乙醛,烷基苯的制造。。





  四、技术参数  




联系我司获取


 

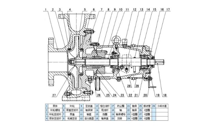
   五、产品结构图  



LHb结构图.jpg


   六、选型参数表  



表格16.png


   七、订货说明  



订货须知:

一、您在订购产品时需提供流量(Q)、扬程(H)、及介质等。并指出介质的易燃性、易爆性、毒性、腐蚀性、结晶性及是否允许封液渗入介质内。
二、若您对原动机有特殊要求时,应说明应用现场条件,环境温度、安装地点及类别(防爆、防火等要求)电压大小等。
三、当使用的场合非常重要或环境比较复杂时,请您尽量提供设计图纸和详细参数,由我们沁泉泵阀的技术专家为您审核把关。
四、泵经过长期运行后性能有显著下降时应拆机检查,并更换易损件(轴承、叶轮、叶轮密封环、导叶套、轴封等)。机组大修期一般为一年。
五、泵每运行500小时应对轴承进行加油。
六、配填料型密封而产生的漏水属正常现象。


   八、安装注意事项  



 


注意事项:1


应往轴承箱内加注润滑油,油量应控制于油窗中间水平面。

注意事项:2

开车前用手盘动联轴器,有无在安装过程中产生卡死现象如有碰擦异常应予消除。


注意事项:3

起动前先接通冷却冲洗液,停车时应先停车再关闭冷却冲洗液。

注意事项:4

冷却冲洗液必须是干净的不结垢的软水,因此对新安装的管路和储蓄罐应冲洗干净。防止有固体物质进入机械密封影响密封效果和寿命。易结垢的水质会堵塞冷却冲洗液通路。同样会影响密封的使用效果和寿命。



注意事项:5

冷凝水作密封冲洗液效果是理想的,温度<85℃。


注意事项:6

却冲洗液的压力为0.1~0.3MPa,流量为0.63m3/h,流量过小会影响密封的使用寿命。

查看更多 >>

产品推荐

热销产品:

  • 磁力泵、离心泵、自吸泵、液下泵等产品
  • 136-2518-2808
    Baidu
    map